Как читать аукционный лист
i
Номер лота
i
История автомобиля
Использовался ли частным лицом или был в аренде, либо другой вариант
i
Обьем двигателя
i
Модель кузова
i
Аукционная оценка
Машина попадает на японский аукцион только после осмотра его специалистом
i
Первая регистрация по японскому летоисчислению.
i
Название модели
i
Кузов
i
Коплектация
i
Тип привода
i
Оценка салона
В отличие от аукционной оценки, здесь используются латинские буквы
i
Срок действия сякэна
Дата, до которой действует талон техосмотра. Выдается новой машине на 3 года.
i
Трансмиссия
в нашем случае это автоматическая коробка передач с рычагом переключения на полу
i
Оригинальное оборудование
С обозначениями можно ознакомиться по ссылке
i
Люк
i
Алюм диски
i
Гидроусилитель
i
Подушки безопасности
i
Кожаный салон
i
Телевизор
i
Навигация
i
Воздух B
i
Пробег
i
Кондиционер
i
В нашем случае это кондиционер плюс система фильтрации, отопления, снабженная несколькими датчиками и электронным блоком управления климатом
i
Продажные отметки
Обычно пишутся различные позитивные моменты с целью увеличить стоимость продажи автомобиля.
i
Внешний цвет
i
Оригинальный цвет
i
Код цвета автомобиля
i
Сервисная книжка
i
Да Нет
i
Тип топлива
i
Слева обведен бензин в нашем случае, справа дизель через точку.
i
Цвет салона
i
История импорта
i
Модель года
i
Импорт
i
Руль
i
Дилер-Сам
i
Слева-справа
i
Срок действия документов, до которого купленный автомобиль необходимо переоформить на себя. Актуально только в случае машин на номерах.
i
Утилизационный взнос
i
Пассажиров
i
Грузоподъемность.
Актуально для грузовых и коммерческих авто.
i
Регистрационный номер
i
Номер кузова автомобиля
i
Серийный номер
i
Примечания
i
Отметки инспектора
i
Длина
i
Ширина
i
Высота
i
Запасное колесо
i
Повреждения
i
Номер лота
i
Дата 1й рег.
i
Название автомобиля
i
Кол-во дверей
i
Комплектация
i
Оценка
i
История авто
i
Oбъем
i
Тип топлива
i
Модификация
i
Кузов
i
Салон
i
Пробег
i
Техосмотр
i
Регистрационный номер
i
Срок переоформ.
i
Плюсы
i
Трансм.
i
Кондиц.
i
Цвет
i
Пассажиров
i
Г/П
i
Номер цвета
i
Цвет салона
i
История имп.
i
Утилизац. талон
i
Будет отправлено позже
i
Родное оборудование
i
Отдельные пометки
i
Номер кузова
i
Размеры авто
i
Заметки эксперта
i
Повреждения кузова
i
Пометки от офиса ТАА
i
Запаска
i
Номер лота
i
Дата 1й рег.
i
Название автомобиля
i
Кол-во дверей
i
Комплектация
i
Оценка
i
История авто
i
Oбъем
i
Тип топлива
i
Модификация
i
Кузов
i
Салон
i
Пробег
i
Техосмотр
i
Регистрационный номер
i
Срок переоформ.
i
Sales points
i
Трансм.
i
Кондиц.
i
Цвет
i
Пассажиров
i
Г/П
i
Номер цвета
i
Цвет салона
i
История имп.
i
Утилизац. талон
i
Будет отправлено позже
i
Родное оборудование
i
Отдельные пометки
i
Номер кузова
i
Размеры авто
i
Заметки эксперта
i
Повреждения кузова
i
Пометки от офиса ТАА
i
Запаска
i
Номер лота
75050
i
Дата первой регистрации
i
Название
Аккорд Гибрид
i
Количество дверей
4
i
Комплектация
EX
i
Привод
2WD
i
Оценка
3.5
i
Сайтама
Сайтама
i
Постановка на учет
2014год
i
Модель
i
Модель кузова
DAA-CR6
i
Обьем ДВС
2000
i
Гарантия
да
i
Количество мест
5
i
Пробег
i
Техосмотр
i
Цвет (Номер краски)
Чёрный NH812P
i
Топливо
бензин
i
Оценка салона
С
i
внешн.
B
i
Трансмиссия
FAT - АКПП, рычаг на полу салона
i
Контидиционер
AAC - (кондиционер плюс система фильтрации, отопления, снабженная несколькими датчиками и электронным блоком управления климатом);
i
Утилизационный билет
13,370
i
Оборудование
PS - гидроусилитель руля
PW - стеклоподъемники с электрическим управлением
AW - литые диски из алюминия;
エアB-
ABS - система антиблокировки тормозов
革 -
SR - крыша оборудована люком
ナビ -
DTV -
PW - стеклоподъемники с электрическим управлением
AW - литые диски из алюминия;
エアB-
ABS - система антиблокировки тормозов
革 -
SR - крыша оборудована люком
ナビ -
DTV -
i
Меры предосторожности
i
Период перерегистр.
месяц день
Покупка автомобиля
Дилер ・ Пробег
Правый или Левый руль
i
Плюсы
Один владелец !
Штатная навигация с HDD (жёсткий диск), телевизор !
Камера заднего хода !
CMBS!
LKAS!
ACC!
Штатная навигация с HDD (жёсткий диск), телевизор !
Камера заднего хода !
CMBS!
LKAS!
ACC!
i
Отметки инспектора
Fガラス(キズ・飛石・ヒビ・リペア跡・X要)
内装(キズ・ワレ・シミ・コゲ・穴・キレ・破れ)
オーディオ(無し・穴)/タイヤ(スタッドレス)
内装(キズ・ワレ・シミ・コゲ・穴・キレ・破れ)
オーディオ(無し・穴)/タイヤ(スタッドレス)
i
Схема повреждений
i
Колёса (царапины / разбиты)
Зеркала з/в (царапины/разбиты)
i
Дополнит
i
Регитрационный номер
i
Номер кузова
1011722
i
i
i
i
i
i
i
i
i
i
i
i
i
i
i
i
i
i
Номер лота
76174 Свежая группа 60 блок
i
Параметры автомобиля
Название - Альфард
Комплектация - 2.5 SC Package
Объём - 2,500c.c.
Модификация кузова - DBA-AGH30W
Кол-во дверей - 5W
Трансмиссия - DAT
Цвет - Перламутровый
Комплектация - 2.5 SC Package
Объём - 2,500c.c.
Модификация кузова - DBA-AGH30W
Кол-во дверей - 5W
Трансмиссия - DAT
Цвет - Перламутровый
i
Параметры автомобиля
Дата перв. рег. - 31 год 3 мес
Пробег - 6,079km
Привод - FF
Кол-во мест - 7
Топливо - Бензин
Утилиз. билет - 16,550йен
Пробег - 6,079km
Привод - FF
Кол-во мест - 7
Топливо - Бензин
Утилиз. билет - 16,550йен
i
Оценка
4.5
i
Оценка салон
A
i
Оценка внешне
B
i
Оборудование
PS - гидроусилитель руля
PW - стеклоподъемники с электрическим управлением
ABS - система антиблокировки тормозов AW - литые диски из алюминия TW
ナビ
サンR
エアB
AC - обычный кондиционер
キーレス
Характеристики
Длина, Ширина, Высота
PW - стеклоподъемники с электрическим управлением
ABS - система антиблокировки тормозов AW - литые диски из алюминия TW
ナビ
サンR
エアB
AC - обычный кондиционер
キーレス
Характеристики
Длина, Ширина, Высота
i
Техосмотр
2022Год 02Месяц 28День
Документы
Номер кузова - AGH30-0236018
Документы
История авто
Личное пользованиеНомер кузова - AGH30-0236018
i
Схема повреждений
i
Пометки
Код краски -070
Небольшие царапины по схеме
Небольшие загрязнения по салону
Опциональная N S Z N — Z 6 8 T навигация
V 1 2 T — R 6 B C откидной задний монитор
Камера заднего хода
Электро-слайдовые двери с обоих сторон
Задняя электро-дверь
3-х глазная светодиодная оптика
Система предотвращения ДТП
Цифровое зеркало заднего вида
Встроенная ETC
SD-карту, пульт отправят позже
Небольшие царапины по схеме
Небольшие загрязнения по салону
Опциональная N S Z N — Z 6 8 T навигация
V 1 2 T — R 6 B C откидной задний монитор
Камера заднего хода
Электро-слайдовые двери с обоих сторон
Задняя электро-дверь
3-х глазная светодиодная оптика
Система предотвращения ДТП
Цифровое зеркало заднего вида
Встроенная ETC
SD-карту, пульт отправят позже
i
i
i
i
i
i
i
i
i
i
i
i
i
i
i
i
i
i
i
i
i
i
i
i
i
i
i
i
i
i
i
i
i
i
i
i
i
i
i
i
i
Номер лота
i
Дата перв. рег.
i
Название, Кол-во дверей, Тип кузова, Комплектация
i
車歴
i
車歴
i
排気量
i
燃料
i
Оценка
i
Техосмотр
Год, Месяц
i
Пробег
i
メーター歴
交換車 , 改ざん車, 不明車
i
外装色
ワイン
i
Цвет
i
内装色
i
車体番号
i
Человек
i
NOX
i
積載量
i
Лицо выставляющее авто
Дилер, частник
i
モデル年式
i
Утилизационный билет
i
新車保証書
i
取扱証明書
i
i
i
АТ – Автоматическая коробка передач
i
Кондиц.
i
Плюсы
i
APEXi 2本出しマフラー
i
APEXi エアクリ
i
レザーシート
i
HIDライト フォグ
i
ユーザ仕入車
i
Оценка внешне
С
i
Oценка салон
С
i
PS
i
PW
i
純正AW
i
サンルーフ
i
本革シート
i
エアバッグ
i
TV
i
純正TV 純正ナビ
i
ABS
i
チューナー
i
i
注意事項 出品店記入
ドラレコ SD欠 地デジTV リモコン後日
i
検査員 記 入
i
FW
Лобовое стекло
i
А – царапины,
X – сколы, трещины, нуждается в замене
X – сколы, трещины, нуждается в замене
i
Салон, сиденья
i
Прокуры, трещины, царапины, загрязнения, потёртости
i
Руль
i
Сиденья
i
Аудио-система
i
Колёсные колпаки
i
Обвес
i
Боковые зеркала
i
Потёртости
i
Потёртости
i
Не работает, отсутствует
i
Х – трещины, поломаны
i
А – царапины, поломан
i
А – царапины, поломан
i
Генератор не исправен
i
i
Повреждения кузова
i
i
i
i
i
i
i
i
i
i
i
i
i
i
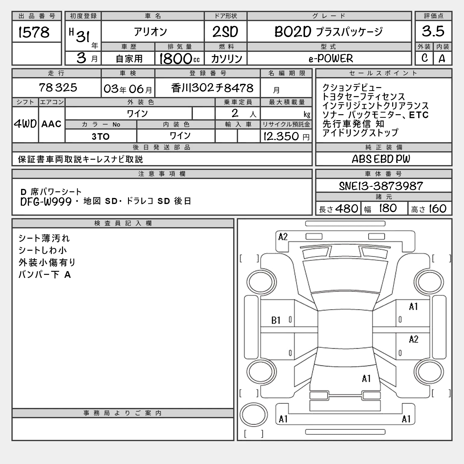
Дата перв. рег.
i
Название・Комплектация
Аллион A15
i
Двери
4
i
Кузов
i
Объем
i
Модиф. кузова
i
Номер лота
i
Техосмотр
i
Пробег
i
История
i
Цвет
серебро
i
Срок переофм.
i
Грузоподъёмность
i
Кол.мест
i
Чел
i
Внимательно!
i
Транс- миссия
i
Трансмиссия
в нашем случае это автоматическая коробка передач с рычагом переключения на полу
i
Страховка
i
.
i
Конд.
i
Топливо
i
G-Бензин
i
Модельн. год
i
Год
i
Дилер・Личн.
i
Руль
i
Оценка
i
Оценка салона
i
Для родных опций
i
Гидроусилитель
i
Стеклоподъемники
i
Литые диски из алюминия
i
Люк
i
TV
i
Навигатор
i
Кожа
i
Эйрбэг
i
i
Утиль-билет
i
Йен
i
Лоб стекло
i
Царап.・A・
i
i
Заметки инспектора
Руль поцарап
Лев зад ланж вмятина
Сид прокур, дыр, порв
Колпаки колес, зеркала поцарап
Салон грязь, шерсть животн
снизу ржав
Передн боков ланж вмятина
Мутные фары
Мелкие коцки、B
Лев зад ланж вмятина
Сид прокур, дыр, порв
Колпаки колес, зеркала поцарап
Салон грязь, шерсть животн
снизу ржав
Передн боков ланж вмятина
Мутные фары
Мелкие коцки、B
i
Плюсы
i
Схема
i
Регистр.номер
i
Номер кузова
i
Тонн
i
Месяц
i
День
i
i
i
i
i
i
i
i
i
Номер лота
7199
i
Дата рег.
27 год
i
Название /кол-во дверей/тип/комплектация
Везел 5 дверей
i
Модельный год
год
i
Oбъем мот.
1500
i
Кузов
DAA-RU4
i
Грузоподъёмность
i
Пассажиры
5/чел.
i
Оценка
4
i
Салон
B
i
Внеш
B
i
История авто
i
Tранс.
FAT
i
Техосмотр
год мес
i
Конд.
ААС
i
Пробег
141.094
i
Топливо
i
Внешний цвет
i
Цвет салона
i
Номер цвета
i
Правый руль
i
Родное оборуд.
PS PW Airbag ABS
i
плюсы
VSA
Подрулевые лепестки
Подрулевые лепестки
i
Срок перерегистрации документов
i
i
i
i
Срок перерегистрации документов
i
Утилизационный сбор
i
Регистр. № авто
i
Номер кузова авто
i
Схема авто
i
доп отметки
i
i
i
i
i
i
i
i
Номер лота
4160
i
Дата регистр.
29
i
Название авто
Аква
i
Двери
5
i
Тип
i
Комплектация
Нави-ТВ
S Push Start
S Push Start
i
История
личное • ( аренда )
i
Кузов
i
Объем
i
Пассажиров
i
Оценка
i
Техосмот
i
Пробег
i
Внешн. цвет
Белый
i
Месторасположение ручки акпп
Пол
i
Тип корорбки передач
АТ – Автоматическая коробка передач
i
Кондиционер
i
Топливо
i
Цвет салон
i
Номер цвета
i
Мод.год
i
Дилер.
i
лев./прав.руль
i
Дилерская страховка
i
Руководство по экспл.
i
Утиль сбор
i
Будет отпр позже
(Книжка нави, умный ключ, SD карта
i
Заметки инспектора
i
Стекло
i
Царапины
i
i
Под замену
i
Салон • Сиденья • Царапины • Прокурен • Дырки • Грязь • Порван
i
Царапины на колпаках колес
Трещины на повторителях в зеркалах
Трещины на повторителях в зеркалах
i
Длина
i
Шир.
i
Выс.
i
ГРП
i
Плюсы
Toyota safety sense
Умный ключ 2 шт (1 будет отпр позже)
Камера зад
ЕТС
Телевизор
Умный ключ 2 шт (1 будет отпр позже)
Камера зад
ЕТС
Телевизор
i
Внешн. вид
i
Cалон
i
Электроусилитель руля
i
Электростеклоподъёмники
i
Алюминевые диски (литьё)
i
Люк
i
Кожа
i
i
Телефизор
i
Навишация
i
Обводить только, если родное
i
Срок переоформления документов
i
Месяц День
i
Номер кузова
6579070
i
Повреждения кузова
i
i
i
i
i
i
i
Номер лота
i
Дата первой рег.
i
Модель/ комплектация
Toyota Harrier Premium
i
Модельный год
i
Импорт
i
Модельный год
i
Руль лев/ прав
i
Спецификация
i
Объем двиг
i
Дверей
i
Кузов
i
Пасажиры
i
Грузопод.
i
Оценка
i
Внеш. Оценка
i
Внурт. Оценка
i
История авто
i
Трансмиссия
i
Техосмотр
i
Кондиционер
i
Пробег
i
Цвет
i
Топливо
i
Утиль. билет
i
Срок разрегистр.
i
Особые отметки
Авто закрыто
Уши царапины
Уши царапины
i
Номер кузова
i
Рег. номер Фукуока
В данном примере:
Фукуока 302НЭ5379
Фукуока 302НЭ5379
i
Родное оборудование
i
Будут отправлены позже
Книжка, страховка, доп ключ
i
Схема авто
i
Размеры авто
i
Плюсы
обвес моделлиста, литье рэйс 18, комбируль
кожаные комби сиденья, электро 5 дверь, ЕТС
Альпайн нави, камера зад, пушстарт
кожаные комби сиденья, электро 5 дверь, ЕТС
Альпайн нави, камера зад, пушстарт
i
Страховка
i
i
i
i
i
i
i
i
i
i
i
i
i
i
i
i
i
i
i
i
i
